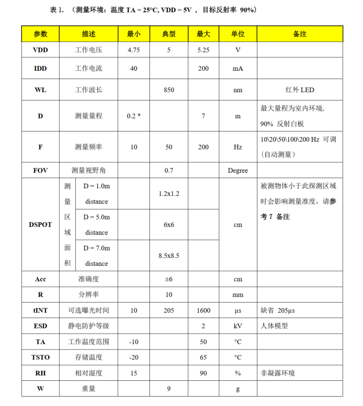
MVR2EA是Ranger 2系列的高性价比测距模组, 采用TOF(Time-of-Flight 飞行时间)技术, 850nm红外LED光源, 配合独特的光学、电子、结构设计而成的激光测距模组,可以实现0.2至 7米高速测距需求。
MVR2EA 提供HEX与ASCII两种UART串口输出数据格式。测距模块经过严谨的温度、 环境光及线性补偿,在不同环境下均可得到精准的距离信息。
底部2个M2金属螺母位可使安装固定更加稳定牢靠,可重复装卸。
无

云适(上海)电子科技有限公司 Yunshi (Shanghai) Electronic Technology Co., Ltd.